

產品信息
特點
● 0.33 ~ 45°散射角度的測量,最短測試時間10 毫秒
● 檢測范圍0.1μm ~數十微米
● 可以在專用溶液單元中測量溶液樣本
● Hv散射,Vv散射測量可以在軟件上輕松切換
用途
高分子材料評價
結晶性膠片
結晶化溫度、球晶直徑、結晶化速度
配光、光學異方性
聚合物混合
相分離過程和相關距離(分散度)
高分子凝膠
三維架橋結構的大小
樹脂
熱硬化樹脂和UV硬化樹脂的硬化速度
粒子物性評價
粒子直徑,凝聚速度
原理
光學系統圖

當起偏片與檢偏片的偏振方向正交時,得到的光散射圖樣叫做Hv散射;
當起偏片與檢偏片的偏振方向均為垂直方向時,得到的光散射圖樣叫做Vv散射。
從這些散射圖形中可以獲取球晶半徑、相分離結構、分散相顆粒平均粒徑、配向狀態等信息。
球晶半徑解析:

R:球晶半徑,qmax:散射光強度最大的散射向量
q:散射向量, λ:介質中的波長,n:樣品折射率,θ:散射角
散射

結晶結構 四葉草型
Vv散射
規則結構 不規則結構

圈型 圓型
● 對聚合物混合的相分離過程的評價
● 連續相與分散相的大小,分散相顆粒平均粒徑(分散度)
● 粒子直徑的評價
● 相分離構造與相關距離檢測
規格
測定原理 | 小角光散射法 |
光源 | 半導體激光器 (波長785nm) |
檢測器 | CMOS照相機 |
測定散亂角度 | 0.33°~45° |
散射圖樣 | Hv光散射、Vv光散射 |
光斑直徑 | 約1mm |
動態范圍 | 120db以上 (使用HDR功能時) |
測定時間 | 10msec~ ※ |
解析項目 | 球晶半徑、相關距離 |
測量實例
PVDF

溶融溫度 | 230℃ |
結晶化溫度 | 160℃ |
聚偏氟乙烯化學式

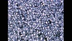
PP-1000散射圖樣 偏光顯微鏡圖樣
球晶半徑評價

各時間45°方向的散射向量提取

球晶半徑計算

隨時間推移的球晶半徑
結晶生長過程評價


結晶生長過程監測


不同溫度條件下結晶速率分析